
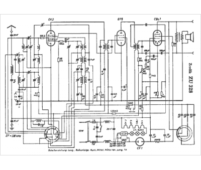
Marque :
Zerdik
Modèle :
ZU 328
Type appareil :
récepteur à tubes
Pays d'origine :
Allemagne, Autriche
