
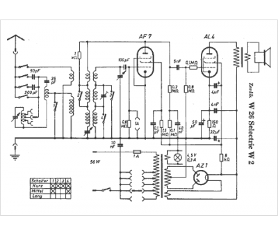
Marque :
Zerdik
Modèle :
W 26 Selectric W2
Type appareil :
récepteur à tubes
Pays d'origine :
Allemagne, Autriche
