
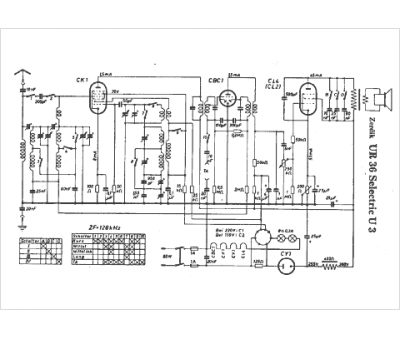
Marque :
Zerdik
Modèle :
UR 36 Selectric U3
Type appareil :
récepteur à tubes
Pays d'origine :
Allemagne, Autriche
