
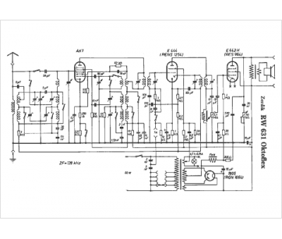
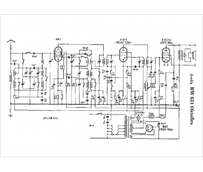
Marque :
Zerdik
Modèle :
RW 631 Oktoflex
Type appareil :
récepteur à tubes
Pays d'origine :
Allemagne, Autriche
