
Marque :
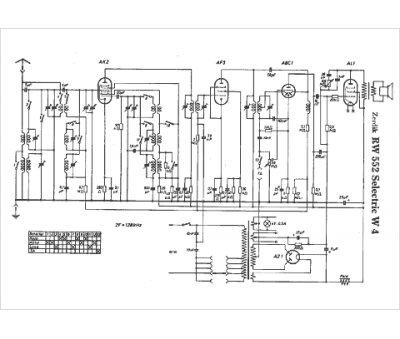
Zerdik
Modèle :
RW 552 Selectric W4
Type appareil :
récepteur à tubes
Pays d'origine :
Allemagne, Autriche
