
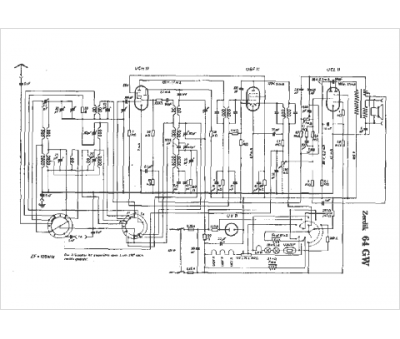
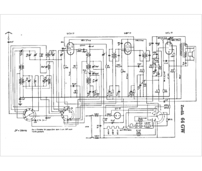
Marque :
Zerdik
Modèle :
64 GW
Type appareil :
récepteur à tubes
Pays d'origine :
Allemagne, Autriche
