
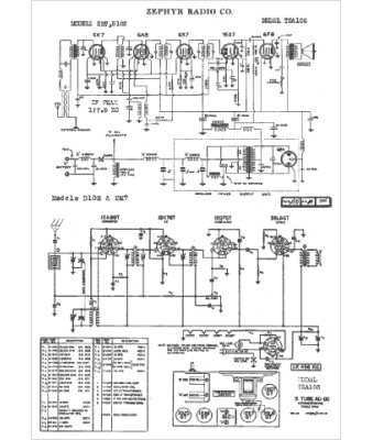
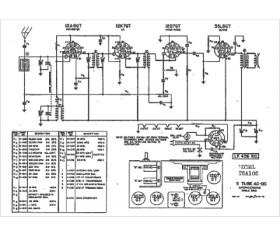
Marque :
Zephyr
Modèle :
TSA105
Type appareil :
récepteur à tubes
Année :
1936
Pays d'origine :
États-Unis
