
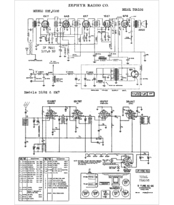
Marque :
Zephyr
Modèle :
B102
Type appareil :
récepteur à tubes
Année :
1940
Pays d'origine :
États-Unis
