
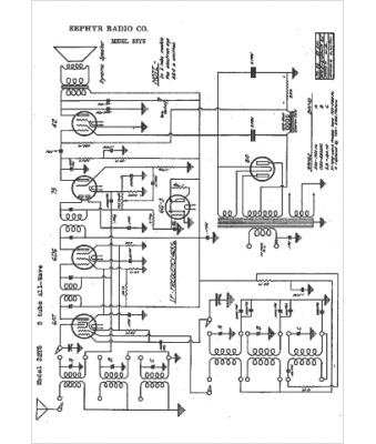
Marque :
Zephyr
Modèle :
32Y5
Type appareil :
récepteur à tubes
Année :
1937
Pays d'origine :
États-Unis
