
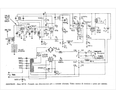
Marque :
Zenitron
Modèle :
RP 50
Type appareil :
récepteur à tubes
Pays d'origine :
Italie
