
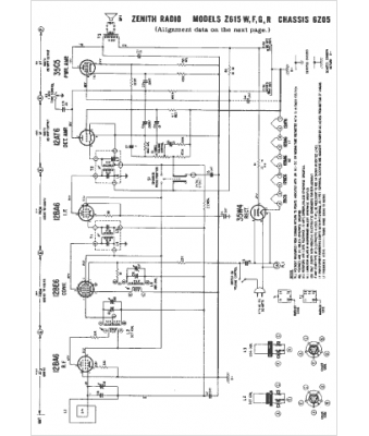
Marque :
Zenith
Modèle :
Z615F
Type appareil :
récepteur à tubes
Année :
1957
Pays d'origine :
États-Unis
