
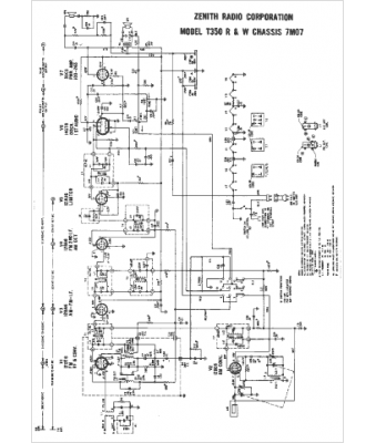
Marque :
Zenith
Modèle :
T350W
Type appareil :
récepteur à tubes
Année :
1969
Pays d'origine :
États-Unis
