
Marque :
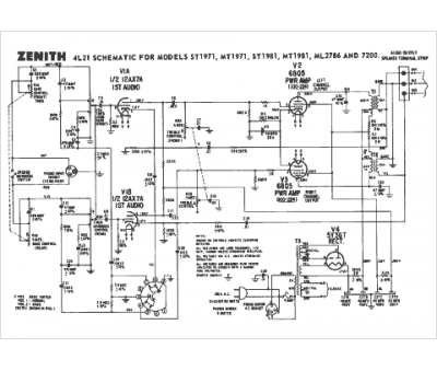
Zenith
Modèle :
ST1981
Type appareil :
récepteur à tubes
Année :
1964
Pays d'origine :
États-Unis
