
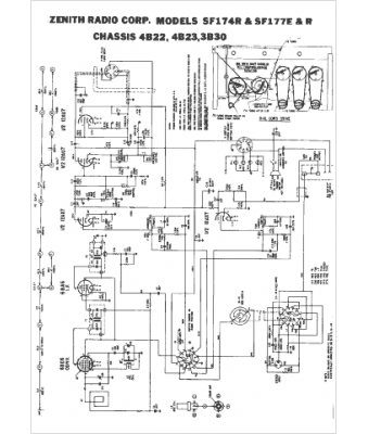
Marque :
Zenith
Modèle :
SP177B
Type appareil :
récepteur à tubes
Pays d'origine :
États-Unis
