
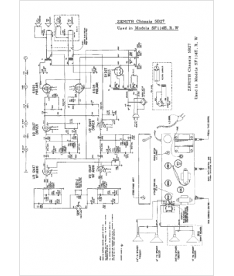
Marque :
Zenith
Modèle :
SFl14E
Type appareil :
récepteur à tubes
Année :
1960
Pays d'origine :
États-Unis
