
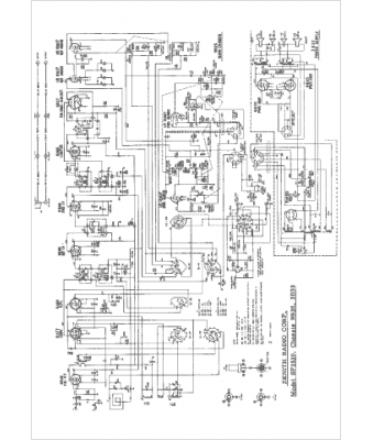
Marque :
Zenith
Modèle :
SF2530
Type appareil :
récepteur à tubes
Année :
1960
Pays d'origine :
États-Unis
