
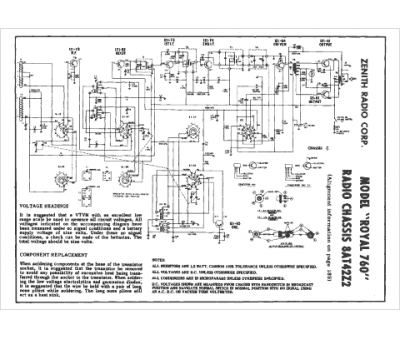
Marque :
Zenith
Modèle :
Royal 760
Type appareil :
récepteur à transistors
Pays d'origine :
États-Unis
