
Marque :
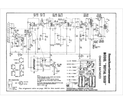
Zenith
Modèle :
Royal 500D
Type appareil :
récepteur à transistors
Pays d'origine :
États-Unis
