
Marque :
Zenith
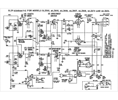
Modèle :
ML2636
Type appareil :
récepteur à tubes
Pays d'origine :
États-Unis
