
Marque :
Zenith
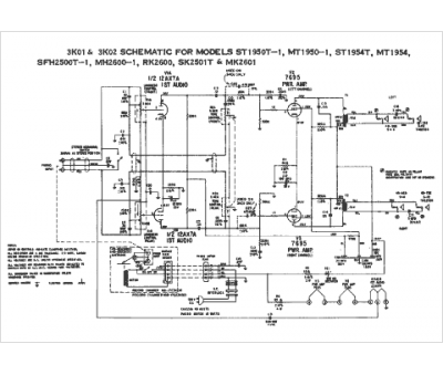
Modèle :
MH2600-1
Type appareil :
récepteur à tubes
Pays d'origine :
États-Unis
