
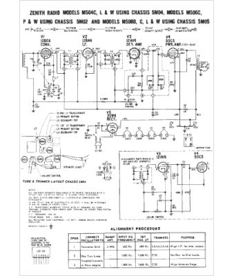
Marque :
Zenith
Modèle :
M506P
Type appareil :
récepteur à tubes
Année :
1966
Pays d'origine :
États-Unis
