
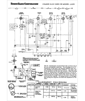
Marque :
Zenith
Modèle :
L2281
Type appareil :
récepteur à tubes
Année :
1954
Pays d'origine :
États-Unis
