
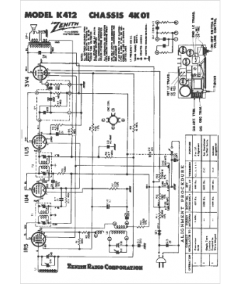
Marque :
Zenith
Modèle :
K412
Type appareil :
récepteur à tubes
Année :
1953
Pays d'origine :
États-Unis
