
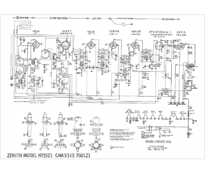
Marque :
Zenith
Modèle :
H725Z1
Type appareil :
récepteur à tubes
Année :
1951
Pays d'origine :
États-Unis
