
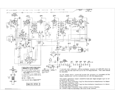
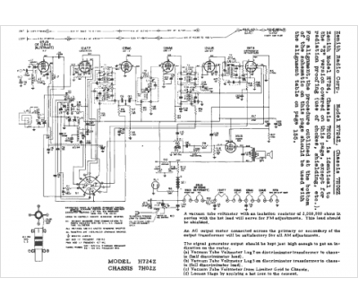
Marque :
Zenith
Modèle :
H724 Z
Type appareil :
récepteur à tubes
Année :
1951
Pays d'origine :
États-Unis
