
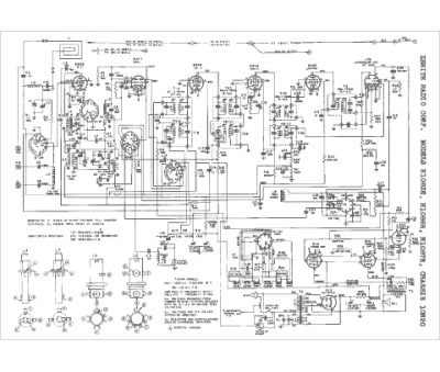
Marque :
Zenith
Modèle :
H1086R
Type appareil :
récepteur à tubes
Pays d'origine :
États-Unis
