
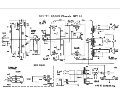
Marque :
Zenith
Modèle :
GPS80
Type appareil :
récepteur à tubes
Année :
1962
Pays d'origine :
États-Unis
