
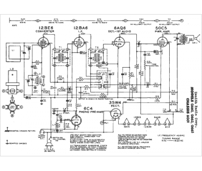
Marque :
Zenith
Modèle :
G663
Type appareil :
récepteur à tubes
Année :
1950
Pays d'origine :
États-Unis
