
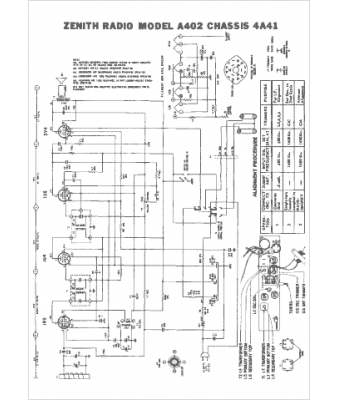
Marque :
Zenith
Modèle :
A-402
Type appareil :
récepteur à tubes
Année :
1958
Pays d'origine :
États-Unis
