
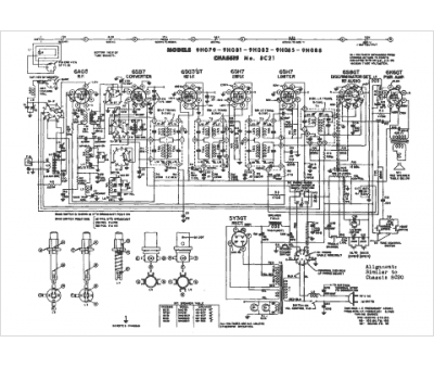
Marque :
Zenith
Modèle :
9H082
Type appareil :
récepteur à tubes
Année :
1946
Pays d'origine :
États-Unis
