
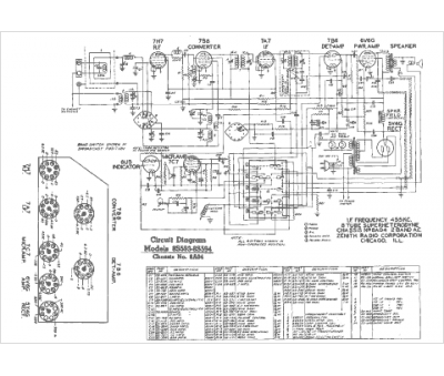
Marque :
Zenith
Modèle :
8S593
Type appareil :
récepteur à tubes
Année :
1941
Pays d'origine :
États-Unis
