
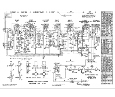
Marque :
Zenith
Modèle :
8H023
Type appareil :
récepteur à tubes
Année :
1947
Pays d'origine :
États-Unis
