
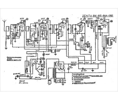
Marque :
Zenith
Modèle :
814
Type appareil :
récepteur à tubes
Année :
1934
Pays d'origine :
États-Unis
