
Marque :
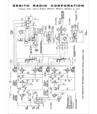
Zenith
Modèle :
7K31
Type appareil :
récepteur à tubes
Année :
1963
Pays d'origine :
États-Unis
