
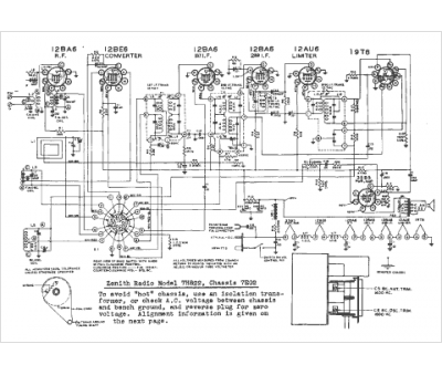
Marque :
Zenith
Modèle :
7H822
Type appareil :
récepteur à tubes
Année :
1949
Pays d'origine :
États-Unis
