
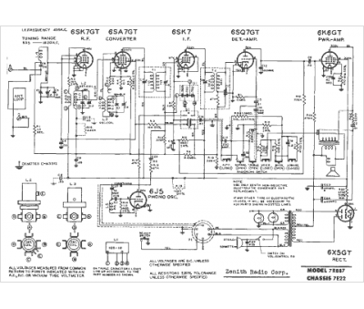
Marque :
Zenith
Modèle :
7E22
Type appareil :
récepteur à tubes
Année :
1949
Pays d'origine :
États-Unis
