
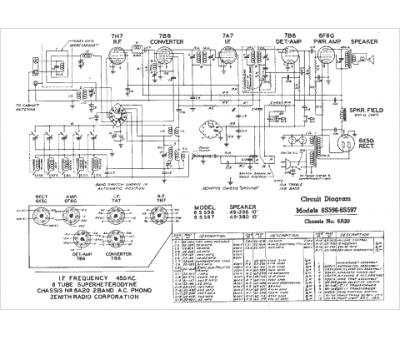
Marque :
Zenith
Modèle :
6S596
Type appareil :
récepteur à tubes
Année :
1941
Pays d'origine :
États-Unis
