
Marque :
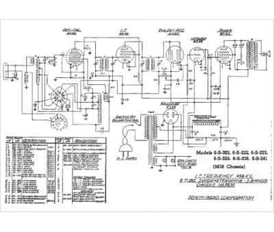
Zenith
Modèle :
6S223
Type appareil :
récepteur à tubes
Année :
1938
Pays d'origine :
États-Unis
