
Marque :
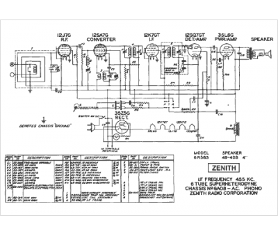
Zenith
Modèle :
6R583
Type appareil :
récepteur à tubes
Année :
1940
Pays d'origine :
États-Unis
