
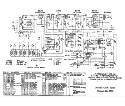
Marque :
Zenith
Modèle :
6J463
Type appareil :
récepteur à tubes
Année :
1940
Pays d'origine :
États-Unis
