
Marque :
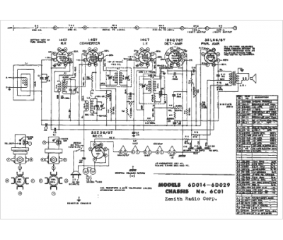
Zenith
Modèle :
6D014
Type appareil :
récepteur à tubes
Année :
1947
Pays d'origine :
États-Unis
