
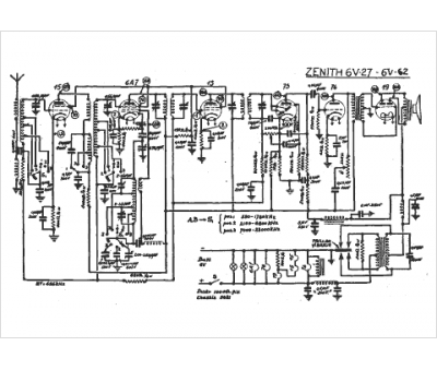
Marque :
Zenith
Modèle :
6 v 27
Type appareil :
récepteur à tubes
Année :
1935
Pays d'origine :
États-Unis
