
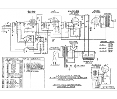
Marque :
Zenith
Modèle :
5S150
Type appareil :
récepteur à tubes
Année :
1938
Pays d'origine :
États-Unis
