
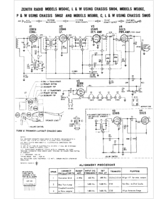
Marque :
Zenith
Modèle :
5M02
Type appareil :
récepteur à tubes
Année :
1954
Pays d'origine :
États-Unis
