
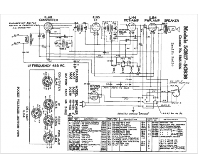
Marque :
Zenith
Modèle :
5G617
Type appareil :
récepteur à tubes
Année :
1942
Pays d'origine :
États-Unis
