
Marque :
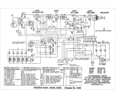
Zenith
Modèle :
5G461
Type appareil :
récepteur à tubes
Pays d'origine :
États-Unis
