
Marque :
Zenith
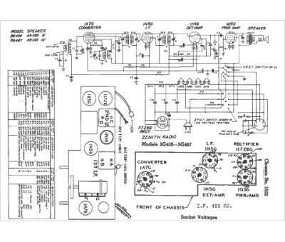
Modèle :
5G438
Type appareil :
récepteur à tubes
Année :
1940
Pays d'origine :
États-Unis
