
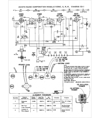
Marque :
Zenith
Modèle :
5D12
Type appareil :
récepteur à tubes
Année :
1961
Pays d'origine :
États-Unis
