
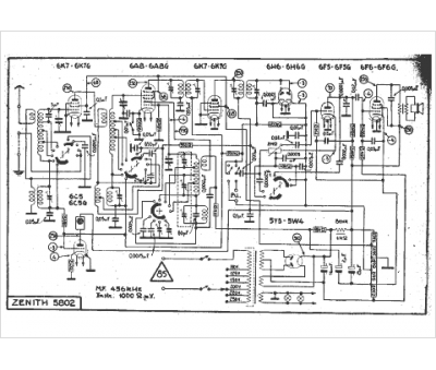
Marque :
Zenith
Modèle :
5802
Type appareil :
récepteur à tubes
Pays d'origine :
États-Unis
