
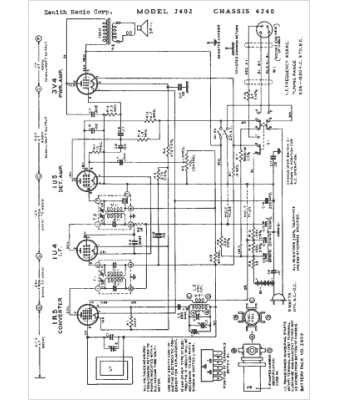
Marque :
Zenith
Modèle :
4J40
Type appareil :
récepteur à tubes
Année :
1952
Pays d'origine :
États-Unis
